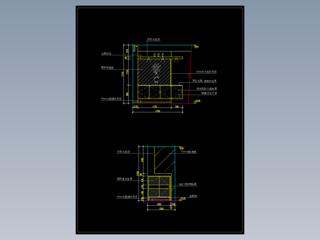
家装玄关设计的详细图纸AutoCAD图档

图档名称为:家装玄关设计的详细图纸,属于机械设备,非标机械分类,软件为AutoCAD, 图纸格式为dwg,可在线预览,可编辑,可供设计参考

加入收藏
模型参数

模型ID:10237893

模型大小:7.69M

软件版本: AutoCAD 2004

模型格式:dwg

是否可编辑:可修改,包括参数

上传时间:2025-06-03

图纸介绍:

下载模型
枫林向晚
作品: 0
粉丝: 0
文件列表
1. 20140307家装玄关设计详图(87例).dwg
8.87 MB
【家装玄关设计的详细图纸】相关作品
提示
×

下载该图档需要消耗20金币!

确认下载
加载中