旋转式螺旋运输机设计AutoCAD图档

图档名称为:旋转式螺旋运输机设计,属于机械设备,非标机械分类,软件为AutoCAD, 图纸格式为dwg,可在线预览,可编辑,可供设计参考

加入收藏
模型参数

模型ID:10237454

模型大小:1.67M

软件版本: AutoCAD 2013

模型格式:dwg

是否可编辑:可修改,包括参数

上传时间:2025-06-02

图纸介绍:

免费下载
作品: 310
粉丝: 0
文件列表
1. 前轴.bak
92.8 KB
2. 前轴.dwg
57.2 KB
3. 卸料节实体螺旋.dwg
139 KB
4. 头部轴承装配2号图.dwg
102 KB
5. 尾部轴承装配.dwg
102 KB
6. 底座.dwg
50.8 KB
7. 底座.jpg
26.6 KB
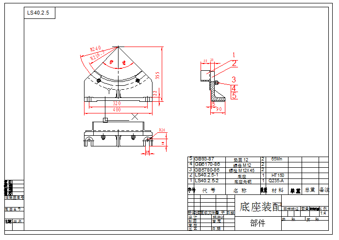
8. 底座装配.dwg
51.1 KB
9. 底座装配.jpg
25.9 KB
10. 新建 文本文档.txt
677 B
11. 旋转式螺旋运输机设计-总图.dwg
133 KB
12. 旋转式螺旋运输机设计-说明书.doc
1.1 MB
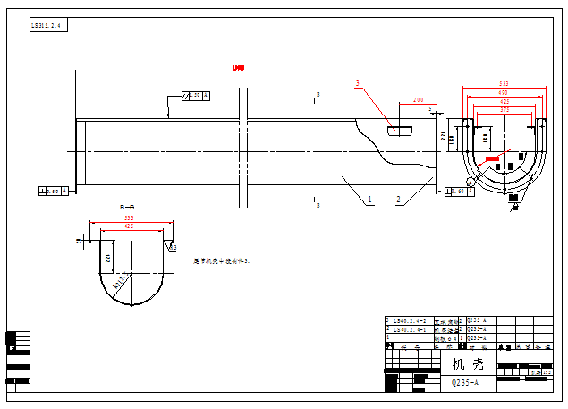
13. 机壳2号图.dwg
59.4 KB
14. 机壳2号图.jpg
18.4 KB
15. 轴承座.dwg
101 KB
16. 选配中间节装配2号图.bak
98.3 KB
17. 选配中间节装配2号图.dwg
87.6 KB
下载提示
×

下载该图档需要消耗0金币!

确认下载
-- 热门充值套餐 · 限时优惠 --
加载中