Robot Arm Arduino SWSolidWorks 3D模型
3D模型名称为:Robot Arm Arduino SW,属于机械设备,非标机械分类,软件为SolidWorks, 三维模型格式为sldprt,sldasm,可在线预览,可编辑,可供设计参考
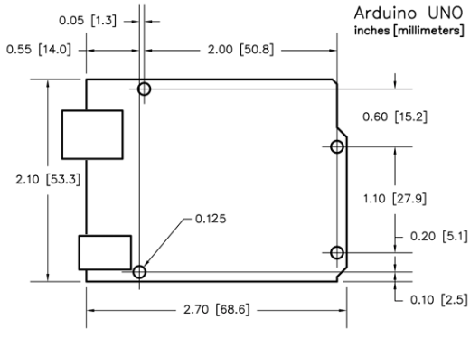
平面图
3D视图
加入收藏
模型参数
模型ID:10235849
模型大小:39.18M
软件版本: SolidWorks
模型格式:sldprt,sldasm
是否可编辑:可修改,包括参数
上传时间:2025-05-28
图纸介绍:
千山暮雪
+
关注
作品: 0
粉丝: 0
文件列表
1. 00 3 point faded.p2s
1.07 KB
2. 00必读资料说明.txt
553 B
3. 10 PORT HEADER.SLDPRT
404 KB
4. 102 RESISTOR PACK.SLDPRT
593 KB
5. 103 RESISTOR PACK.SLDPRT
584 KB
6. 11 reflective floor checkered.p2s
1.2 KB
7. 113-4.jpg
161 KB
8. 16mhz crystal - measured.SLDPRT
200 KB
9. 220 RESISTOR PACK.SLDPRT
586 KB
10. 2pin_header__02.sldprt
74.9 KB
11. 3 point beige.hdr
5.31 MB
12. 47uf CAP Dcase.SLDPRT
371 KB
13. 6 PORT HEADER.SLDPRT
282 KB
14. 603 cap on pad.SLDPRT
220 KB
15. 603 resistor.SLDPRT
244 KB
16. 8 PORT HEADER.SLDPRT
322 KB
17. ATMEL328P.SLDPRT
1.02 MB
18. Assem1.5.SLDASM
3.47 MB
19. Assem111.PNG
1.91 MB
20. Axis_16.0mm.SLDPRT
72.8 KB
21. Axis_16.5mm.SLDPRT
70.4 KB
22. Axis_18.0mm.SLDPRT
74.4 KB
23. Axis_20.0mm.SLDPRT
69.2 KB
24. Axis_4.2mm.SLDPRT
74 KB
25. Base2_motor_gripper.SLDPRT
58.7 KB
26. Base_motor_gripper.SLDPRT
66.6 KB
27. Biela_Gripper.SLDPRT
75.3 KB
28. Biela_link1.SLDPRT
67.7 KB
29. Capture2.PNG
170 KB
30. Capture3.PNG
235 KB
31. Capture4.PNG
305 KB
32. Capture6.PNG
790 KB
33. Coupling_axis_motor.SLDPRT
78.1 KB
34. Coupling_axis_motor_Short.SLDPRT
99.3 KB
35. Draw1.SLDDRW
15.9 KB
36. Gripper.SLDPRT
89.5 KB
37. MLC0603.SLDPRT
169 KB
38. PADS001.SLDPRT
56.2 KB
39. Par_motor_gripper.SLDPRT
78 KB
40. RESET BUTTON.SLDASM
108 KB
41. RESET CORE.SLDPRT
194 KB
42. RESET.SLDPRT
119 KB
43. Servo_motor.SLDPRT
89.4 KB
44. Slider_inside_gripper.SLDPRT
56.3 KB
45. Slider_outside_gripper.SLDPRT
71.8 KB
46. Supor_links.SLDPRT
67.9 KB
47. Supor_links2.SLDPRT
70.3 KB
48. Suport_lateral_motor_gripper.SLDPRT
92.5 KB
49. Support_eje_gripper.SLDPRT
63.5 KB
50. Support_motor_rotation.SLDPRT
96.2 KB
51. Support_pin_slider_gripper.SLDPRT
45.4 KB
52. Support_side_slider_gripper.SLDPRT
51.6 KB
53. Support_slider_gripper.SLDPRT
53.2 KB
54. T_top.SLDPRT
77.5 KB
55. USB SHELL.SLDPRT
541 KB
56. USB core.SLDPRT
180 KB
57. USB type b.SLDPRT.SLDASM
152 KB
58. arduino uno.SLDASM
2.29 MB
59. arduino_uno_dims_lg.png
28.6 KB
60. arduino_uno_rev3-02 blue bottom.bmp
805 KB
61. arduino_uno_revg-mua4.bmp
805 KB
62. atmega16u2.SLDPRT
1.18 MB
63. black high gloss plastic.p2m
384 B
64. black low gloss plastic.p2m
385 B
65. black medium gloss plastic.p2m
387 B
66. blm21.SLDPRT
189 KB
67. borra.SLDDRW
213 KB
68. burnished brass.p2m
587 B
69. cd1206 diode.SLDPRT
148 KB
70. ceramic.p2m
1.15 KB
71. checker3.jpg
7.42 KB
72. checker_floor_bright.p2m
644 B
73. color.p2m
392 B
74. cream low gloss plastic.p2m
403 B
75. crystal.sldprt
411 KB
76. dark grey low gloss plastic.p2m
403 B
77. decals.bmp
71.3 KB
78. dip socket pin.SLDPRT
57.6 KB
79. dip28.SLDASM
142 KB
80. dip28.SLDPRT
161 KB
81. frosted plastic.p2m
492 B
82. glass fiber.p2m
600 B
83. kitchen.hdr
6.07 MB
84. led.SLDPRT
311 KB
85. light grey high gloss plastic.p2m
409 B
86. light grey low gloss plastic.p2m
410 B
87. light grey satin finish plastic.p2m
422 B
88. link1.SLDPRT
63.5 KB
89. link2.SLDPRT
70.9 KB
90. link_tensor1.SLDPRT
59.3 KB
91. link_tensor2.SLDPRT
63.3 KB
92. link_tensor3.SLDPRT
70 KB
93. link_tensor4.SLDPRT
57.3 KB
94. lmv358.SLDPRT
266 KB
95. lp2985dgkr.SLDPRT
316 KB
96. m7 diode.SLDPRT
314 KB
97. matte aluminum.p2m
937 B
98. matte gold.p2m
883 B
99. mf-msmf050-2.SLDPRT
409 KB
100. nano - reg.SLDPRT
293 KB
101. polished aluminum.p2m
418 B
102. polished copper.p2m
604 B
103. polished gold.p2m
542 B
104. polished zinc.p2m
578 B
105. porcelaine.p2m
925 B
106. power jack.SLDPRT
355 KB
107. red low gloss plastic.p2m
403 B
108. reflective shadow floor.p2m
203 B
109. satin finish aluminum.p2m
1010 B
110. satin finish gold.p2m
990 B
111. satin finish stainless steel.p2m
1010 B
112. snowcloud.png
1.58 MB
113. softbox.png
69.2 KB
114. ssot3.SLDPRT
173 KB
115. suport_all.SLDPRT
124 KB
116. suport_base.SLDPRT
74.9 KB
117. suport_motors_links.SLDPRT
65.9 KB
118. unoboard blue.SLDPRT
299 KB
119. usb btm contact.SLDPRT
81 KB
120. usb top contact.SLDPRT
76.5 KB
121. white high gloss plastic.p2m
378 B
122. white low gloss plastic.p2m
379 B
123. white medium gloss plastic.p2m
381 B
124. 双击:海量资源 模型下载尽在《百亿图库》.url
123 B
125. 搜索淘宝店铺《百亿图库》海量资源下载.jpg
224 KB
举报/反馈
免责申明:
本网站模型由用户自行上传,如权利人发现存在误传其作品情形,请及时与本站联系。
【Robot Arm Arduino SW】相关作品
模型报错
模型报错类型:
分类错误
版本错误
雷同或版权问题,重复ID
图片与模型不一致
文件不完整
解压文件打不开或有问题
模型报错描述:
联系方式
提交报错
提示
×
下载该图档需要消耗100金币!
确认下载
我和会话