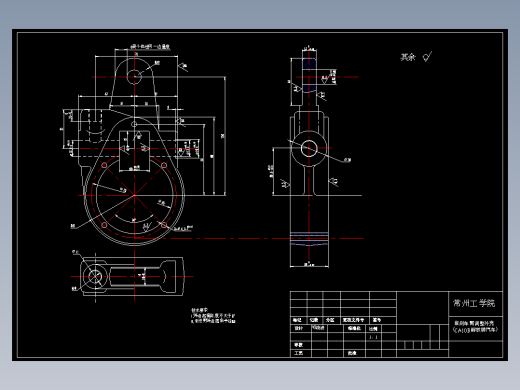
SPC 前上控制臂step 3D模型
3D模型名称为:SPC 前上控制臂,属于机械设备,非标机械分类,软件为step, 三维模型格式为,可在线预览,可编辑,可供设计参考
模型参数
模型ID:10179850
模型大小:1.4M
软件版本: step
是否可编辑:可修改,包括参数
上传时间:2024-05-20
图纸介绍:

沧海遗珠
作品: 0
粉丝: 0

文件列表
【SPC 前上控制臂】相关作品
滚动更载更多~
提示
×
下载该图档需要消耗0金币!
确认下载